C2000Ware Digital Power SDK  5.04.00.00
PMP41017 - 3kW GaN-based Two Phase Interleaved Half-Bridge LLC

← Back to Reference Designs Overview

Target Applications

  • Server PSU with 12V output
  • Merchant telecom rectifiers
  • Digital controlled industrial AC-DC

Features & Specification

  • Rated Power: 3kW
  • Input: 340-420V DC, Output: 12V DC
  • Peak Power Efficiency: 98.1%
  • High Power Density: 313 W/in³
  • Ultra-compact size: 64mm × 35mm × 70mm (width x height x length)
PMP41017 Design Specification
Vin (Min) (V) 340
Vin (Max) (V) 420
Vout (Nom) (V) 12
Iout (Max) (A) 266
Output Power (W) 3192
Isolated/Non-Isolated Isolated
Input Type DC
Topology Half Bridge - LLC

Description

This reference design demonstrates a two-phase interleaved half-bridge inductor-inductor-capacitor (LLC) resonant converter implemented on a C2000™ TMS320F280039C real-time MCU, with an ultra-compact design featuring high power density of 313 W / in³.

The design employs capabilities for phase shedding, current balancing, and hybrid duty mode control, and allows for peak efficiency of 98.1% with the use of GaN power switches.

PMP41017 EVM Board
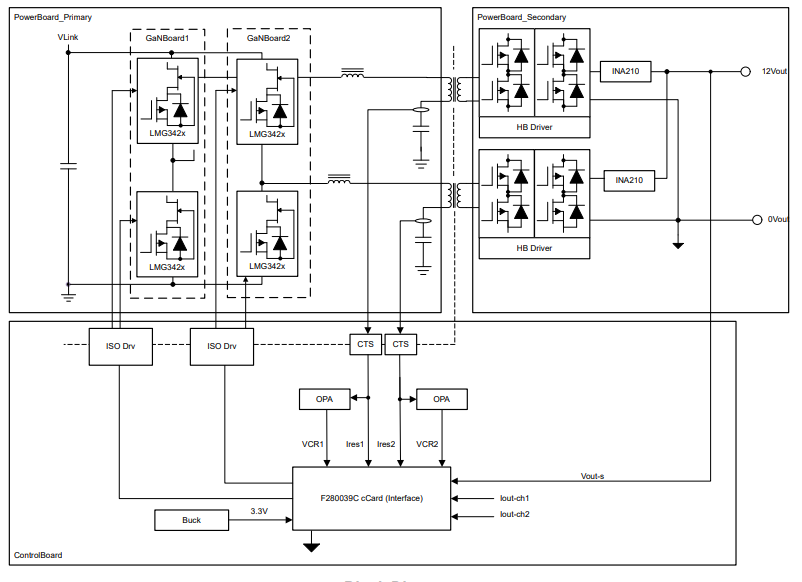
C2000 MCU interface to PMP41017 Power Stage Diagram

Relevant Links

Useful links regarding the reference design are provided below:

Note
To import and evaulate CCS project using the button above, please access the current page via Resource Explorer from CCS, or CCS Cloud. (go to View->Resource Explorer)

Steps to Run the Example

  • It's strongly recommended to first read through the User Guide/Software Guide for any specific setup instructions and hazard warnings before proceeding.
  • To import CCS projects, either import via the button above or mannually select the file directory where this solutions resides.
  • Build the project within the CCS project menu, then launch a CCS debug session and run the executable.

Release Notes

Shown below lists all the software revision history for this reference design:

Software Revision In SDK Release Changelog
v1.00.00 5.00.00.00 First release, on F28003x devices in C2000Ware Digital Power SDK
v1.00.01 5.04.00.00 Changes & Enhancements:
  • Added reference links to release notes within the solution

Hardware design files

For EVM design files such as schematics, BOM, PCB layouts & assembly files, please visit TI design webpage from the link above.

Help and Support

For additional help and support, please visit E2E™ design support forum