| TI Designs | Reference Design Description | |
|---|---|---|
| DC-DC | ||
| PMP23126 | 3kW Phase-shifted Full Bridge with Active Clamp | See Overview |
| PMP23340 | 1.1kW 48V to 12V 1/8th GaN Brick Power Module | See Overview |
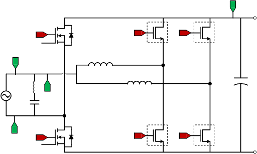
| PMP41017 | 3kW GaN-based Two Phase Interleaved Half-Bridge LLC | See Overview |
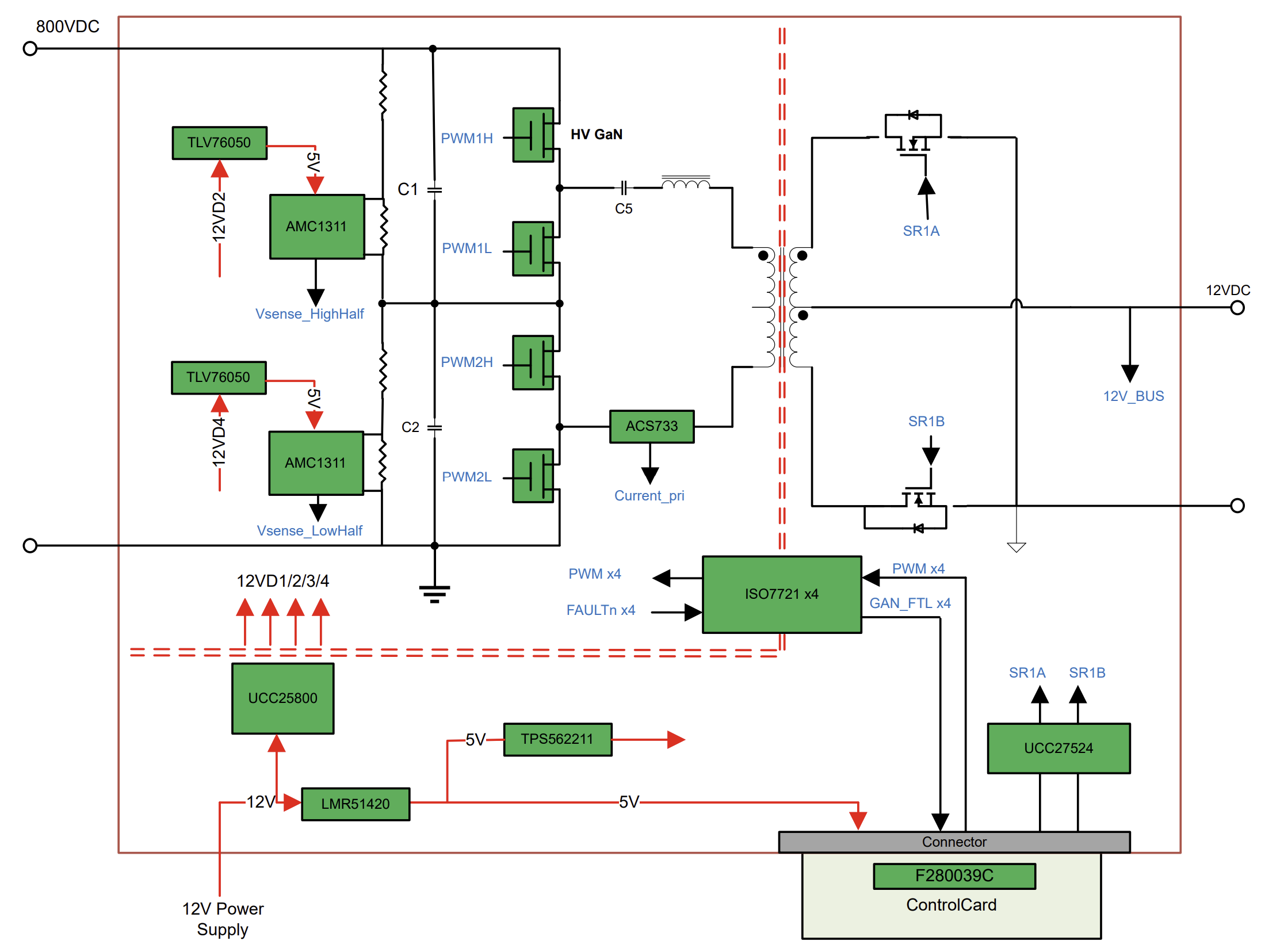
| PMP41037 | 1kW, 800V to 12V Serial Half-Bridge Bidirectional DCX with GaN | See Overview |
| PMP41042 | 3.6kW Bi-directional CLLLC Resonant Converter | See Overview |
| PMP41081 | 1kW 12V Hybrid-hysteretic control (HHC) LLC | See Overview |
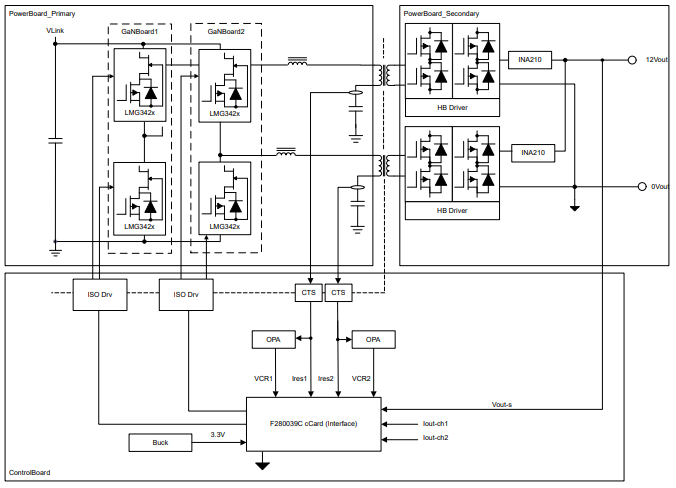
| TIDA-010054 | 10kW Bi-directional Dual Active Bridge (DAB) DC-DC Converter | See Overview |
| TIDA-010086 | 10A Battery Formation and Test | See Overview |
| TIDA-010087 | 100A Dual-Phase Digital Control Battery Tester | See Overview |
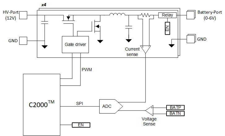
| TIDA-010090 | 50A GaN-based Battery Tester | See Overview |
| TIDA-010966 | 300W Series Resonant Dual Active Bridge Converter (SRC-DB) for Active Pack Balance | See Overview |
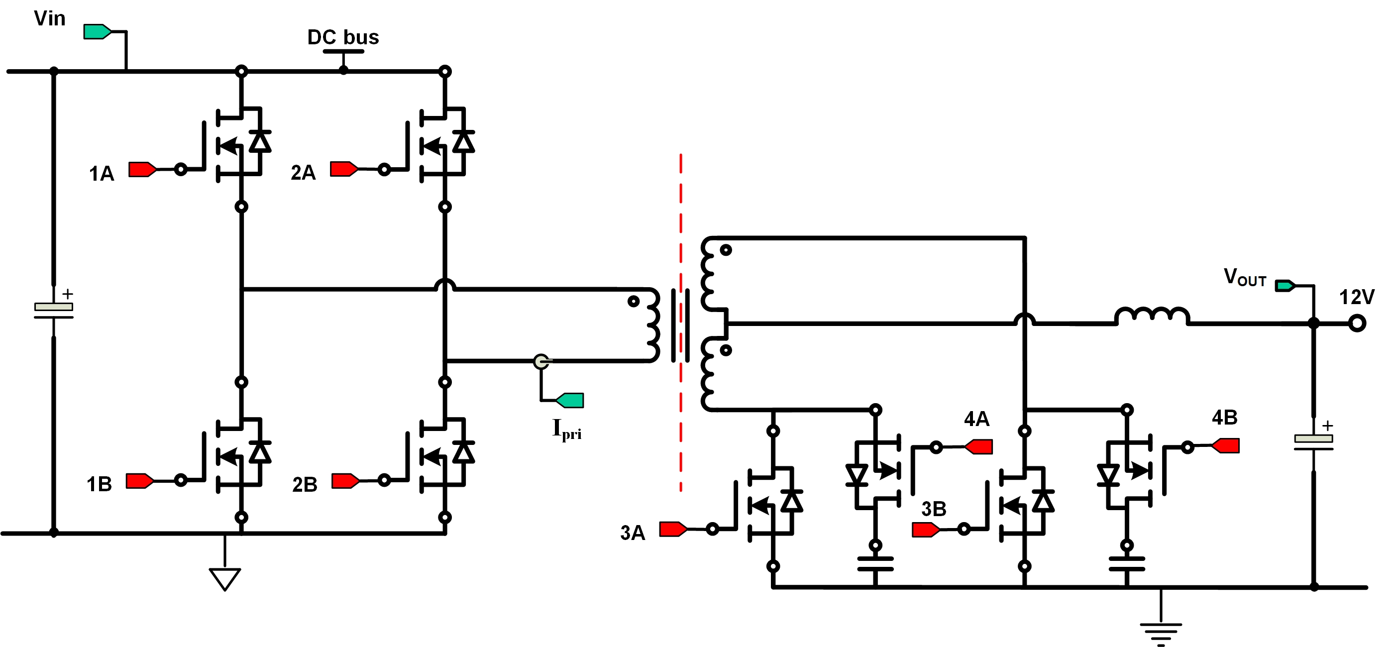
| TIDM-02000 | Peak Current-mode Controlled Phase-shifted Full-bridge (PSFB) | See Overview |
| TIDM-02002 | Bi-Directional CLLLC Resonant Dual Active Bridge (DAB) | See Overview |
| TIDM-02011 | Live Firmware Update (LFU) Reference Design | See Overview |
| TIDM-DC-DC-BUCK | Digitally Controlled Non-Isolated DC-DC Synchronous Buck Converter | See Overview |
| Solar | ||
| TIDA-010955 | AI-based Arc Fault Detection | See Overview |
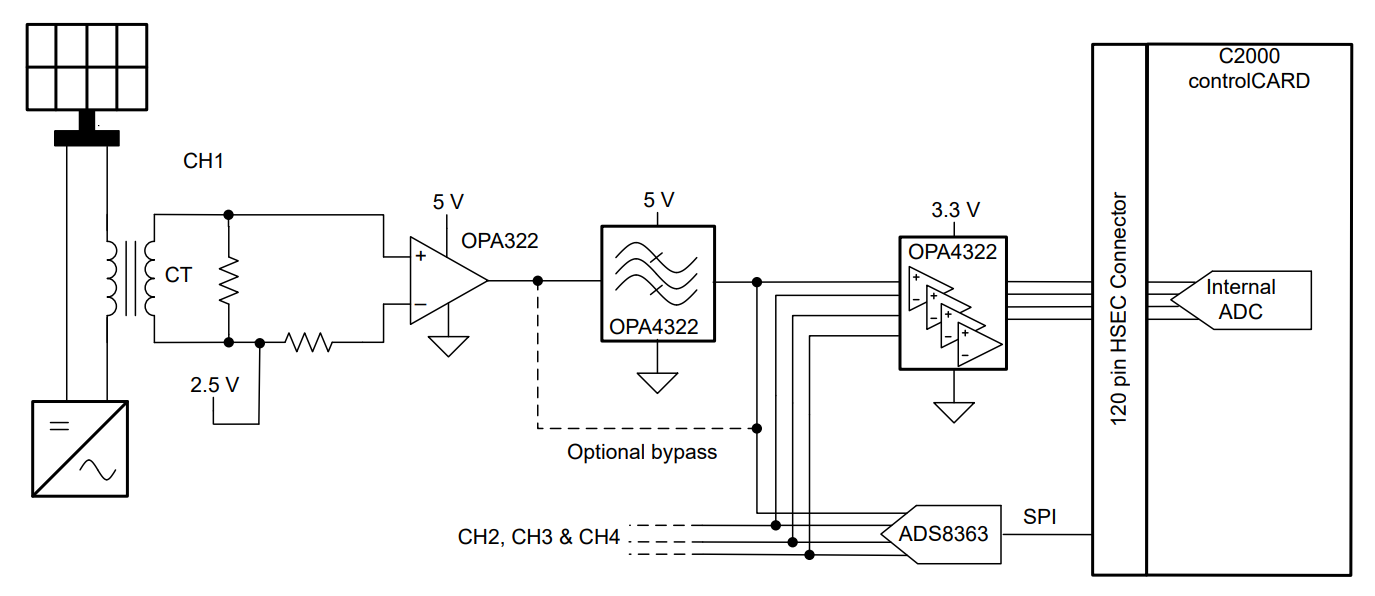
| TIDA-010231 | Arc Fault Detection in Photovoltaic Applications Reference Design | See Overview |
| TIDA-010933 | 1.6kW GaN-based Solar Microinverter | See Overview |
| TIDA-010938 | 10kW GaN-based Single-phase String Inverter with Battery Energy Storage System | See Overview |
| TIDA-010949 | 600W GaN-based Solar Power Optimizer with Wired and Wireless Communication | See Overview |
| TIDM-SOLAR-DCDC | Two-phase Interleaved MPPT DC-DC Boost and Half-Bridge LLC DC-DC Converter | |
| AC-DC | ||
| PMP23069 | 3kW Single-phase CCM Totem-pole Bridgeless PFC | See Overview |
| PMP23338 | 3.6kW Single-phase CCM Totem-pole Bridgeless PFC | See Overview |
| PMP40988 | 5kW Two-phase Variable Switching Frequency Totem-Pole PFC | See Overview |
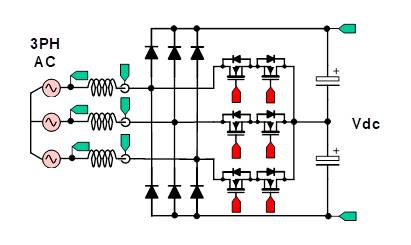
| TIDA-010257 | 10kW Three-phase PFC: Vienna Rectifier | See Overview |
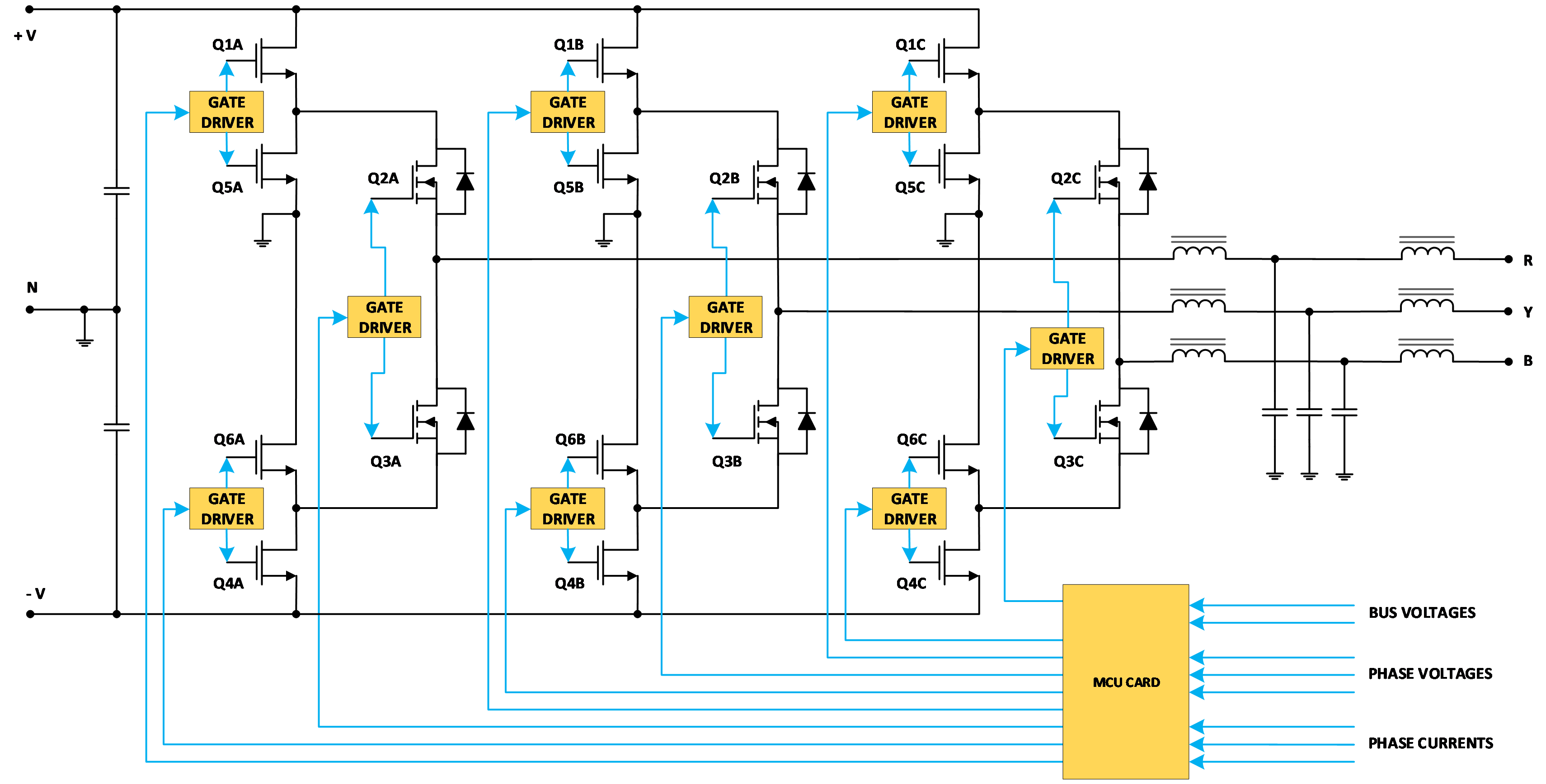
| TIDM-1000 | Three-phase PFC: Vienna Rectifier | See Overview |
| DC-AC | ||
| TIDM-HV-1PH-DCAC | Single Phase Inverter: Voltage Source | See Overview |
| TIDM-HV-1PH-DCAC | Single Phase Inverter: Grid Connected | See Overview |
| AC-DC / DC-AC | ||
| TIDA-010210 | 11kW Bi-directional 3-phase 3-level ANPC-type Active Front End | See Overview |
| TIDA-01606 TIDA-010039 | 10kW Bi-directional 3-phase 3-level T-type Active Front End | See Overview |
| AC-DC + DC-DC | ||
| TIDA-010062 | 1kW GaN CCM Totem-pole Bridgeless PFC and Half-Bridge LLC | See Overview |
| PMP41006 | 1kW GaN CCM Totem-pole Bridgeless PFC and Current Mode LLC | See Overview |
| TIDM-02013 | 7.4kW GaN-based On-board Charger | See Overview |
- Attention
- To find deprecated solution or solution of older versions, please look through Release Notes and download the corresponding Digital Power SDK version package.

